

Inverted Bucket Trap
The interior of the inverted bucket steam trap:this valve adopts the operating principles of density difference between condensate water and steam,and the leverage system connects with inverted bucket to form its internal structure,thus controlling the open and close of the steam pressure.The interior of the inverted bucket steam trap is an inverted bucket,a liquid level sensitive part,with the bucket's opening downward.When the device just started,air and low temperature condensate water occur in the pipes,at the moment the steam trap opens thoroughly,the air and low-temperature condensate water are discharged rapidly and the temperature of the device rises immediately.When any steam enters into the inverted bucket,the bucket will obtain buoyancy and the fixed lever of the bucket drives the valve core to close the valve.There is small aperture on the inverted bucket,which can discharge air automatically.As some of steam is discharged from such aperture,while other steam produces condensate water.The inverted bucket loses the buoyancy and sinks down and its fixed lever drives the valve core to open the valve.When the steam re-enters into the bucket,the valve will close again.It repeats the said procedures to discharge water intermittently.
優點:
1、對凝結水的發生量適應性強,既可間歇排放,又可連續排放。
2、內部裝有大排量的雙閥座差壓機和SCCV關閉系統,體積小而排量大。
3、內部零件全部采用不銹鋼制造,并且安裝在閥蓋上維修保養極為方便。
4、背壓率高(90%)。
5、汽水分離可靠(水汽經U型通道從閥下部進入),閥內始終處于水封狀態,有效阻止蒸汽泄露。
6、敞口型的浮子抗水擊,吊桶上設有排水孔,可有效防止蒸汽氣鎖、空氣氣堵現象(非凝結性的高溫空氣也排除)。7、與杠桿機構結合制造高壓閥。
Merits
1.Strong adaptability to happening of condensate water,capable of intermittent or continuous discharge.
2.Equipped with double-valve pressure differentiator and SCCV shutdown system,with small size but large discharge capacity.
3.All inner parts made of stainless steel and mounted on valve covers,easy to maintain and repair.
4.High backpressure rate of 90%.
5.Reliable separation of vapor and water (vapor enters from the lower part of the valve through the U-shape passage),the inner part of the valve is in water seal state,which effectively prevents the leakage of steam.
6.Water-resistant open floater with gas vent through the bucket's vent,effective to prevent steam locking or air blocking(except the non-confensed high-temperature air).
7.Suitable to be joined with lever mechanism for producing high-pressure valve.
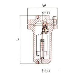
先導活塞倒吊桶式疏水閥/PISTON INVERTED BUCKET TRAP


技術參數/Technique parameter
|
殼體壓力等級 Shell pressure grade |
負荷泄漏率 Load leakage |
使用介質 Used medium |
允許背壓率 Permitted backpressure rate |
節能效果 Energy saving effect |
排空氣裝置 Air Exhaust system |
|
2.5、 4.0、 6.4、 12MPA |
≈0% |
蒸汽、凝結水 Steam、 Condensate water |
≥90% |
優秀 Excellence |
自動 Automatic |
|
最大工作壓差 Maximum Operating pressure differential
|
排出高溫氣體 Discharging of high- temperature air |
排水方式 Drainage method |
最高允許溫度 Maximum Allowable temperature |
抗水擊 Resis |
|
|
12MPA |
適應 Adaption |
間接方式 Indirect way |
420℃ |
適應 Adaption |
|
主要零件材料/The materials of primary accessories
零部件名稱
Part and component name
材質
Material
閥體、閥蓋
Valve body、Valve cover
鑄鋼、不銹鋼、合金鋼
Cast-iron、WCB、Stainless steel
吊桶、杠桿
Inverted bucket、Lever
304/316不銹鋼
304/316 Stainless steel
閥座、閥瓣
Valve seat、Valve clack
STL合金、高鉻不銹鋼
STLAlloy、High chrome、stainless steel
過濾網
Filtrating screen
不銹鋼
Stainless steel
外形尺寸和重量/Prime out-form dimensions and weigh
產品型號
Product
model
口徑(DN)
Calibre
L法蘭
Flange
L螺紋/
焊接
Thread/
welding
H
H1
W
重量(kg)
weight
使用壓力
范圍(MPa)
Pressure
change
range
公稱壓力
(MPa)
Nominal
pressure
WDVER411F
DN15-50
495
-
495
-
280
77
0.1-10.0
15
注解:
1、選型時請提供工作壓力、工作壓差、凝結水發生量、工作溫度、連接方式及標準。
2、凝結水負荷的安全系數一般為2~3倍
3、正確安裝、定期保養清除閥內污物,保證疏水閥正常工作和延長使用壽命。
4、型號尾數數值相同,其排水量也相同。
Note
1.Please provide operating pressure and operating pressure difference,generating quantity of condensate water,operating temperature,connecting mode and standards in selecting product models.
2.The load of condensate water’s safety coefficient reaches 2 to 3 times in general.
3.Please make sure the drain valve is installed properly,maintained regularly,cleaned up and operates under the normal condition,so as to extend its service life.
4.The products with same mantissa figure at their models have the same discharge capacity.
