

杠桿浮球式是利用浮力原理和杠桿原理,通過液位的變化使浮球上升或下降,浮球驅動著杠桿使得閥瓣離開或接觸閥座達到開啟排水和關閉阻汽的作用。采用自動排空氣閥,能自動排除不凝結氣體,非常靈敏,工作質量高,使用壽命長。連續排水,有水即排,最小過冷度為 0℃。杠桿浮球式疏水閥采用兩種結構方式A:單閥座-杠桿浮球 B:雙平衡閥座-杠桿浮球
單閥座:需要克服介質壓力對閥座的作用,閥座的孔徑不能很大,適用于小型設備、伴熱管線,蒸汽主管等排水小的場合。閥座孔設計在凝結水水位以下,自然形成水封,水、汽自然分離,達到無蒸汽泄漏,即便沒有凝結水采用球型密封的杠桿使得閥瓣緊貼閥座,達到無新鮮蒸汽的泄露。不受凝結水量波動和溫度的影響。
雙平衡閥座:該閥利用雙閥孔設計,介質的壓力對兩個閥座作用相等,方向相反,介質壓力對閥座作用相抵消,閥蕊在開閥時壓力相對減少,從而獲得超大排量。工作時浮球隨閥腔內液體位的變化而上下浮動,帶動杠桿打開或關閉閥座。由于閥座孔在凝結水水位以下,形成水封,水、汽自然分離,達到無蒸汽泄漏。不受壓力、溫度、冷凝水流量波動的影響。
Lever-ball float trap
Lever ball float type trap employs the buoyancy principle and the lever principles:to make the ball float ascend or descend by the change in the liquid level and then the ball float drives the lever to make the valve disc from or touch the valve seat to realize drainage and closed block vapor. The product adopts the automatic air exhaust to automatically eliminate non-condensing air.It is very precise with high operating and long service life.It can discharge whenever there is any water,and its minimum subcooled temperature is 0℃.The lever-ball float trap adopts two kinds of structure modes:A:Single valve seat-lever ball float;B:double balanced valve seat-lever ball float.
Single valve seat:it needs to overcome the operation on the valve seat by the medium pressure;the hole caliber of the valve seat cannot be too large and is applicable to such low displacement condition as mini-equipment,steam tracing pipeline and steam main pipe.The hole of the valve seat is designed beneath the water level of the condensate water to form water sealing to keep water apart from vapor,so as to prevent the leakage of the vapor.Though there is no condensate water that uses ball-type sealed lever to make the valve clack tightly adhesion to the valve seat,it can prevent the fresh vapor from leakage.Further,the product is free of the affect of the fluctuation of the condensate water's quantity and temperature.
The double balanced valve seat:this valve is designed to have two valve openings.The pressure of the medium act against the two valve seats equally in reverse direction,so the pressure on the valve seat is offset,the valve core assumes relatively low pressure when the valve is open,in this way the overlarge displacement is obtained.During the operating process,the ball float floats with the change in liquid level of the valve cavity to make the lever open or close the valve seat.The hole of the valve seat is designed beneath the water level of the condensate water to form water sealing to keep water apart from vapor,so as to prevent the leakage of the vapor.Further,the product is free of the affect caused by the fluctuation of pressure,temperature and condensate's flow.
優點:
1、采用新型閥機構(新 SCCV 關閉方式和Z型結構),具有優良的密封性和耐久性。
2、雙平衡閥座設計,比一般的疏水閥體積小而排量大,在特大排量場合更能發揮優越性。
3、單閥座設計可以水平或垂直安裝,可以滿足高背壓,低排量蒸汽管線。
4、內裝空氣自動排放閥,可防止空氣氣堵和蒸汽汽鎖。
5、全部部件安裝在閥蓋上,閥無需從配管上卸下,就可維修保養,簡單方便。
Merits
1.To use new-style valve mechanism (new SCCV closing mode and Z-shaped structure) to boast excellent tightness and endurance.
2.To employ double balanced valve seat design,it has smaller volume and larger displacement and can exert its advantages when needing large displacement.
3.The single valve seat model can be installed horizontally and vertically,satisfying the requirements of steam pipeline with high backpressure and low displacement.
4.The built-in automatic air exhaust can prevent air blocking and steam locking;
5.As all components are installed on the valve cover,so they can be maintained and cleaned up simply and easily without being removed from pipe arrangement.
熱靜力浮球式疏水閥/THERMAL-STATIC-BALL FLOAT TRAP


技術參數/Technique parameter
|
殼體壓力等級 Shell pressure grade |
負荷泄漏率 Load leakage |
使用介質 Usedmedium |
允許背壓率 Permitted backpressure rate |
節能效果 Energy saving effect |
最大工作壓差 Maximum Operating pressure differential |
|
1.6、2.5、4.0、10MPA |
≈0% |
蒸汽、凝結水 Steam、Condensate water |
≥90% |
優秀/良好 Excellence/good |
10MPA |
|
最小過冷度 Minimum subcooled temperature |
排水方式 Drainage method |
最高允許溫度 Maximum allowable temperature |
排空氣裝置 Air exhaust system |
壓力變化范圍 Pressure change range |
|
|
0℃ |
連續方式 Continue mode |
420℃ |
自動 Automatic |
適應 Adaption |
|
零部件名稱Part and component name
材質Material
閥體、閥蓋Valve body、Valve cover
鑄鋼、不銹鋼Cast steel、Stainless steel
浮球、杠桿Float ball、Lever
304不銹鋼304 Stainless steel
雙平衡閥座Dual Balance valve seat
STL合金和不銹鋼組合Combination of STL alloy and Stainless steel
自動排空氣裝置Automatic air exhaust
不銹鋼、熱敏元件Stainless steel、Thermo-sensitive element
過濾網 Filtrating screen
不銹鋼 Stainless steel
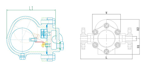
外形尺寸和重量/Prime out-form dimensions and weigh
|
產品型號 Product model |
口徑(DN) Calibre |
L法蘭 Flange |
L螺紋/焊接 Thread/welding |
H1 |
H2 |
W |
重量(kg) weight |
使用壓力范圍(MPa) Pressure change range |
公稱壓力(MPa) Nominal pressure |
|
FQ31 |
15-25 |
- |
220 |
92 |
99 |
165 |
13.5 |
0.1-2.5 |
2.5 |
|
FQ34 |
15-50 |
300 |
|
92 |
99 |
165 |
17 |
0.1-2.5 |
2.5 |
|
FQ31-40 |
15-50 |
- |
270 |
118 |
118 |
170 |
|
0.1-3.2 |
4.0 |
|
FQ34-40 |
15-50 |
340 |
- |
118 |
118 |
235 |
|
0.1-3.2 |
4.0 |
注解:
1、選型時請提供工作壓力、工作壓差、凝結水發生量、工作溫度、連接方式及標準。
2、雙平衡閥座凝結水負荷的安全系數一般為1.5~2倍,單閥座凝結水負荷的安全系數為3。
3、正確安裝、定期保養清除閥內污物,保證疏水閥正常工作和延長使用壽命。
Note
1.Please provide operating pressure and operating pressure difference,generating quantity of condensate water,operating temperature,connecting mode and standards in selecting product models.
2.The safely coefficient for condensate water load of dual balance valve seat is generally 1.5 to 2 times,and the safely coefficient for condensate water load of single valve seat is 3 times.
3.Please make sure the drain valve is installed properly,maintained regularly,cleaned up and operates under the normal condition,so as to extend its service life.
