

旋啟式止回閥SWING-TYPE CHECK VALVE

應用規范
1、設計制造:按ANSIB16.34;API600;API602
2、結構長度:按ANSIB16.10;JIS B2002
3、連接端法蘭尺寸:①150;300或600磅級按ANSIB16.5(RF)
4、閥門檢驗和試驗:按API 598
5、結構特征:①B.B,旋啟止回;有全徑和縮徑之分
6、材料:按ANSI/ASTM的規定
7、主體材料:A105;F5;F11;F22;304;304L;316;316L;LF2等
Application criterion
1.Design and manufacture:According to ANSIB16.34;API600; API602
2.Structure length:according to ANSIB16.10;JIS B2002
3.Size of connecting end flange:①150;300 and 600 pound grades:according to ANSIB16.5(RF)
4.Valve inspection and test:according to API 598
5.Structure characteristics:①BB,Swing check;reduced port and full port
6.Materials:According to ANSI/ASTM requirements
7.Materials of main body:A105;F5;F11;F22;304;304L;316;316L;LF2,etc.
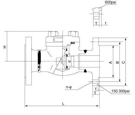
外形尺寸和重量/Prime out-form dimensions and weight
|
規格DN Specifications |
壓力磅級 Pressure pound grade |
L |
H(開) |
A |
B |
C |
T |
f |
n-φ |
重量 (kg) Weight |
|||
|
英制 (in) British system |
公制 Metric |
縮徑 Reduced port |
全徑 Full port |
縮徑 Reduced port |
全徑 Full port |
||||||||
|
1/2 |
15 |
150 |
108 |
61 |
61 |
35 |
60.5 |
89 |
11.5 |
1.6 |
4-16 |
2.5 |
3.3 |
|
300 |
152 |
66.5 |
95 |
14.5 |
1.6 |
4-16 |
2.6 |
3.6 |
|||||
|
600 |
165 |
66.5 |
95 |
14.5 |
6.4 |
4-16 |
2.9 |
4.3 |
|||||
|
3/4 |
20 |
150 |
117 |
61 |
78 |
43 |
70 |
98 |
13 |
1.6 |
4-16 |
3.3 |
4.8 |
|
300 |
178 |
82.5 |
118 |
16 |
1.6 |
4-19 |
3.6 |
5.1 |
|||||
|
600 |
190 |
82.5 |
118 |
16 |
6.4 |
4-19 |
4.3 |
6.2 |
|||||
|
1 |
25 |
150 |
127 |
78 |
84 |
51 |
79.5 |
108 |
14.5 |
1.6 |
4-16 |
4.8 |
7.0 |
|
300 |
203 |
89 |
124 |
17.5 |
1.6 |
4-19 |
5.1 |
7.4 |
|||||
|
600 |
216 |
89 |
124 |
17.5 |
6.4 |
4-19 |
6.2 |
7.7 |
|||||
|
1? |
32 |
150 |
140 |
84 |
101 |
63 |
89 |
117 |
16 |
1.6 |
4-16 |
7.0 |
7.5 |
|
300 |
216 |
98.5 |
133 |
19.5 |
1.6 |
4-19 |
7.4 |
7.9 |
|||||
|
600 |
229 |
98.5 |
133 |
21 |
6.4 |
4-19 |
7.7 |
9.3 |
|||||
|
1? |
40 |
150 |
165 |
101 |
120 |
73 |
98.5 |
127 |
17.5 |
1.6 |
4-16 |
7.5 |
11.3 |
|
300 |
229 |
114.5 |
156 |
21 |
1.6 |
4-22.5 |
7.9 |
11.7 |
|||||
|
600 |
241 |
114.5 |
156 |
22.5 |
6.4 |
4-22.5 |
9.3 |
13.2 |
|||||
|
2 |
50 |
150 |
203 |
120 |
133 |
92 |
120.5 |
152 |
19.5 |
1.6 |
4-19 |
11.3 |
13.6 |
|
300 |
267 |
127 |
165 |
22.5 |
1.6 |
8-19 |
11.7 |
16.8 |
|||||
|
600 |
292 |
127 |
165 |
25.5 |
6.4 |
8-19 |
13.2 |
20.5 |
|||||
